![]()
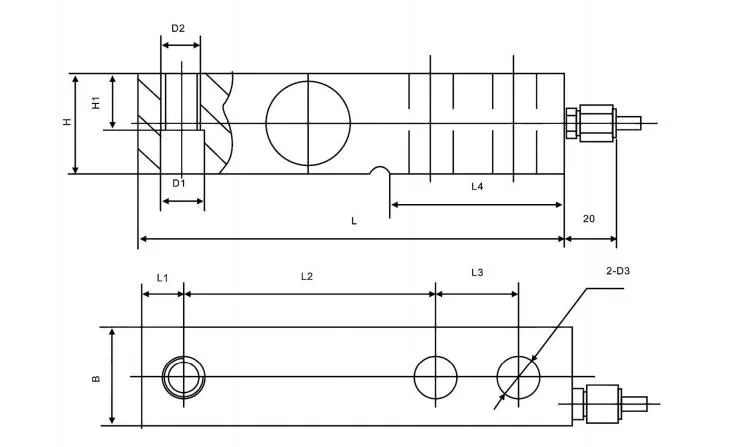
Desenho do tamanho do produto

| capacidade | L | L1 | L2 | L3 | L4 | H/B | H1 | D | D2 | D3 |
| 0.5T~3T | 130 | 12.7 | 76.2 | 25.4 | 57 | 31.8 | 15.9 | Φ18 | M16*1.75 | Φ18 |
| 3T ~ 5T | 171.5 | 19 | 95.3 | 38.1 | 72.5 | 38.1 | 26 | Φ20 | M20*1.5 | Φ20 |
| 7.5T~10T | 222.5 | 25.3 | 124 | 50.8 | 10.2 | 50.8 | 25.4 | Φ27 | M24*2 | Φ27 |
Lista de parâmetros do produto
| capacidade | T | 0.5 ~ 10T |
| Output nominal | Mv/v | 2.0/3.0±0.2 |
| Não-linearidade | % F.S. | 0.03 |
| Histerese | % F.S. | 0.03 |
| Repetitividade | % F.S. | 0.03 |
| Um merdas. | % F.S/3min | 0.03 |
| Efeito da temperatura a zero | % F.S/10oC | 0.03 |
| Efeito da temperatura sobre a extensão | % F.S/10oC | 0.03 |
| Balanço zero | Mv/v | ± 0.03 |
| Impedância de entrada | Ó | 380 ± 20 |
| Impedância de saída | Ó | 352 ± 5 |
| Resistência ao isolamento | MΩ | ≥ 5000(100VDC) |
| Voltagem de excitação recomendada | VDC | 5 ~ 12 |
| Voltagem de excitação permitida | VDC | 5 ~ 15 |
| Intervalo de temperatura compensado | oC | - 10oC~ + 40oC |
| Intervalo de temperatura de funcionamento | oC | - 20oC~ + 60oC |
| Sobrecarga segura | % F.S. | 120 |
| Sobrecarga máxima | % F.S. | 150 |
| Conexão | Excitação: vermelho: + preto:- | |
| Sinalização: Verde: + Branco:- | ||
Informações sobre a empresa
![]()
A Ruijia é uma empresa de serviços técnicos especializada em pesquisa de tecnologia de medição de força, P & D de produtos, produção, vendas e serviço.células de carga de alta precisão, sensores de tipo S, sensores de cantilever, sensores de força multidimensionais, sensores de tensão, transmissores P & D e produção de instrumentos de controlo e fornecer soluções de controlo de engenharia de sistemas.A empresa tem oficinas modernas e espaçosas, equipamento de produção e teste de alta qualidade, equipe profissional de P & D e sistema de gestão perfeito para fornecer soluções razoáveis e práticas para nossos clientes.Com anos de conhecimento e compreensão no campo da automação, a empresa sempre aderiu ao conceito de operação da empresa de "usuário em primeiro lugar", construiu uma equipe profissional no campo da automação,e forneceu aos clientes produtos de qualidade estável e pré-venda e pós-vendaserviços técnicos.Nós sempre aderimos ao princípio de inovação independente, apenas bons produtos e gestão científica, e sempre aderir a fornecer produtos perfeitos e soluções de sistema,que é altamente respeitado no nosso campo;Mudanças constantes e fornecer aos clientes excelentes serviços de valor acrescentado.